搜索关键词:
产品名称,产品种类,型号,
测试标准或规范,生产商,技术种类,应用等等

靴帮抗刺穿试验机
返回
分享到
一、符合标准:试验标准防护手套及鞋鞋服等防刺穿性能测试;
BS EN388-2016《防机械危险的防护手套》
XF633-2006
ISO20344-2004 《ISO20344个人防护装备鞋靴的试验方法》
GB/T17622-2008《带电作业绝缘手套》
GB24541-2009《手部防护机械危害防护手套》
二、设备
能测量0〜500 N力的低惯性压缩设备;
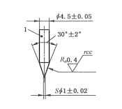
根装在该设备正中轴的钢针,形状尺寸要求如图7;
一个能将被测试样固定在该设备正中轴的固定装置,如图8。
单位为毫米


三、技术参数:
1、硬度为60 HRC钢针,标准固定试样夹持夹具;
2、 固定夹具:直径80mm,上下压板中孔20±0.05mm;
3、穿刺针:直径4.5±0.05mm,前段锥形,锥度30±2°,顶端半径1.0±0.02mm。
4、 测量范围:0-500N
5、 穿刺速度:100mm/min,行程:50 mm。
6、试样大小:≥40mm



