导管单腔导管医用管扭结测试(长期扭结)
2023-08-19 14:20:04
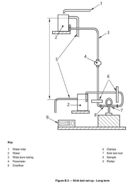
原理:
测试长期使用(>1h)的医用导管扭结力的测试方法,扭结长度以流过相同长度的水平直管的流量为50%或更少的环的周长来测量符合 EN 13868-2002 ISO20698:2018 7.2 Catheter kinking test

技术指标:
1、恒压静水头 :200-1000mm (可调节)精度: ±2mm
2. 弯曲夹具 :1套(标配)客户可根据导管直径定制
3.恒温水浴 :控制范围:0-99℃ 精度±1℃
4.流量计 :0.3-6L/min
5. 控制系统 :PLC
6. 触摸屏 :彩色7寸触摸屏,中英文切换;
7. 数据保存 :USB导出
8. 内置嵌入式打印机
机器电源:
1、电压 220V 50HZ
2、电流 2A
3、测试功率0.55KW
4 恒温水浴功率:AC220V 2KW/ 10A ;
温度调节 :室温-99℃
5、电路保护系统:接地保护、快速保险

配置清单:
主机一台,恒温水浴一套、扳手一把,电源线一根,说明书/合格证/保修卡/铭牌一套。

上一篇:透析管套环粘接牢固性试验仪
下一篇:引流导管保持强度测试仪



