技术文章文献
警用防刺服防刺层厚度试验仪
2025-07-01 13:51:48
执行标准:
GA 68-2024,附录A

技术参数:
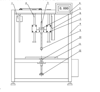
由主体框架、导向机构、砝码、上探测压头、下探测压头及显示屏等组成。
控制系统:PLC;
操作界面:彩色7寸触摸屏,中英文界面切换;
主体框架采用金属材料制作;
测试方法:全自动升降,全自动测量,全自动得测试结果;
上、下探测压头:材料:不锈钢,直径φ10mm±0.1 mm,平行度为±0.05mm,同轴度为±0.1mm,**量程为200mm,精度为0.1mm。
砝码配重为100g±1g;
嵌入式打印机;
USB接口;
电源:220V 50HZ。

基本配置:
主机一台,电源线一根,说明书/合格证/保修卡/铭牌一套
上一篇:汽车密封条压缩变形量测试仪
下一篇:汽车玻璃刮水器耐久测试仪



