技术文章文献
细节再现工装
2026-04-08 17:27:38
细节再现工装、细节再现器具、划线试验块
符合标准:
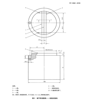
YY/T 0462-2018,7.7细节再现

介绍:
试验块:带如图6和图7中所示的划线,由硬化不锈钢材质(400VHN)制成。
环形模具:如图8所示。按GB/T131-2006,表面粗糙度为N5(Ra=0.4μm).
开口模具:如图9所示。按GB/T131-2006,表面粗糙度为N5(Ra=0.4μm).




上一篇:稠度试样材料量取器
下一篇:牙科学石膏产品线固化膨胀伸长仪-三角槽



